Load spreaders voor zware belasting

Bij werkzaamheden op zachte of instabiele ondergrond is een stevige basis cruciaal. De stalen draglineschotten (load spreaders) van Van Schie bieden een betrouwbare oplossing voor het creëren van een veilige en stabiele werkvloer voor zwaar materieel.

BB308996_Square

Toepassing & werking

Door hun hoge stijfheid en draagvermogen zijn deze schotten tot wel drie keer sterker dan traditionele houten (azobé) varianten. Daardoor zijn ze uitermate geschikt voor toepassingen met hoge puntbelastingen, zoals bij kranen, funderingsmachines en zwaar transport. Als load spreaders zorgen ze voor een gelijkmatige verdeling van de belasting over de ondergrond.

Praktisch in gebruik

Voor efficiënt gebruik zijn de schotten voorzien van twee geïntegreerde hijspunten. Daarnaast maken uitsparingen het mogelijk om ze eenvoudig en veilig op te pakken met een platenklem of sorteerknijper. Dit zorgt voor snelle positionering en verplaatsing, ook onder zware omstandigheden.

Kwaliteit & duurzaamheid

De schotten zijn geproduceerd uit hoogwaardig constructiestaal (S355) en ontworpen voor intensief en langdurig gebruik. In vergelijking met houten schotten zijn ze vormvast, slijtvast en volledig recyclebaar. Daarmee vormen ze niet alleen een sterke, maar ook een toekomstbestendige keuze.

De productie vindt plaats volgens NEN-EN 1090 EXC2 en de schotten zijn CE-gemarkeerd, waardoor de constructieve eigenschappen aantoonbaar zijn en voldoen aan Europese normen.

Kenmerken

  • Tot 3x sterker dan houten schotten
  • Voorzien van hijspunten en slimme uitsparingen
  • CE Gemarkeerd
  • Geproduceerd volgens NEN-EN 1090 EXC2
  • Lange levensduur en volledig recyclebaar
  • Aantoonbare sterkte en veiligheid
  • Geschikt voor zware toepassingen in infra, bouw en logistiek

Toepassingen in infra en bouw

Van infra- en funderingsprojecten tot bouwplaatsen en zware logistiek: deze stalen draglineschotten bieden een stabiele en betrouwbare ondergrond. Dankzij hun hoge draagvermogen en lange levensduur zijn ze een efficiënte oplossing voor werken op kwetsbare bodem.

Engineering & maatwerk

Voor projecten met specifieke eisen of complexe situaties biedt onze engineeringafdeling ondersteuning. Denk aan sterkteberekeningen en uitgewerkte 3D-situatietekeningen, zodat u verzekerd bent van een veilige en passende oplossing.

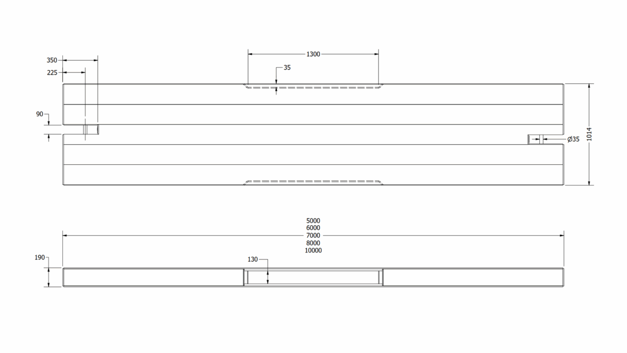
Stalen dragelineschot_Overview_1-1
Stalen draglineschot 5 meter
Lengte
5.000 mm
Breedte
1.014 mm
Hoogte
190 mm
Gewicht
1.240 kg
Staalkwaliteit
S355J2
Iy
19.279 cm^4
Wy plastisch
2.292 cm^3
Wy elastisch
2.039 cm^3
Stalen dragelineschot_Overview_1-1
Stalen draglineschot 6 meter
Lengte
6.000 mm
Breedte
1.014 mm
Hoogte
190 mm
Gewicht
1.477 kg
Staalkwaliteit
S355J2
Iy
19.279 cm^4
Wy plastisch
2.292 cm^3
Wy elastisch
2.039 cm^3
Stalen dragelineschot_Overview_1-1
Stalen draglineschot 7 meter
Lengte
7.000 mm
Breedte
1.014 mm
Hoogte
190 mm
Gewicht
1.715 kg
Staalkwaliteit
S355J2
Iy
19.279 cm^4
Wy plastisch
2.292 cm^3
Wy elastisch
2.039 cm^3
Stalen dragelineschot_Overview_1-1
Stalen draglineschot 8 meter
Lengte
8.000 mm
Breedte
1.014 mm
Hoogte
190 mm
Gewicht
1.953 kg
Staalkwaliteit
S355J2
Iy
19.279 cm^4
Wy plastisch
2.292 cm^3
Wy elastisch
2.039 cm^3
Stalen dragelineschot_Overview_1-1
Stalen draglineschot 10 meter
Lengte
10.000 mm
Breedte
1.014 mm
Hoogte
190 mm
Gewicht
2.428 kg
Staalkwaliteit
S355J2
Iy
19.279 cm^4
Wy plastisch
2.292 cm^3
Wy elastisch
2.039 cm^3
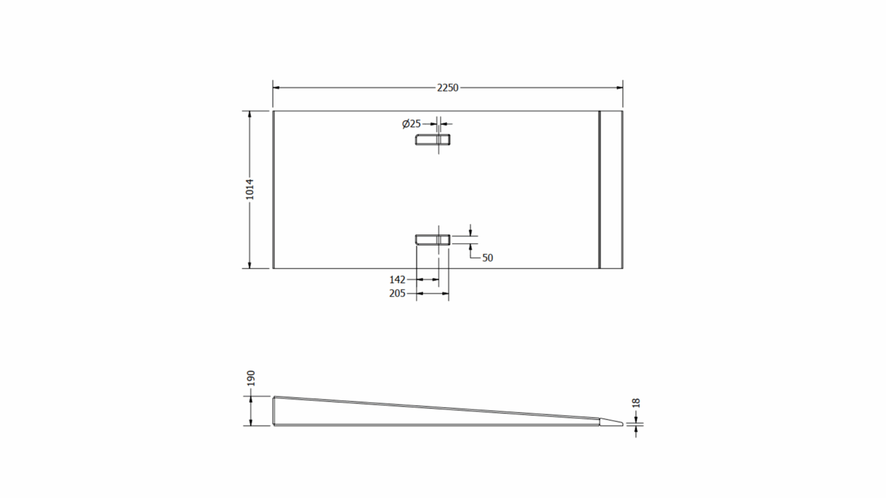
Dragelineschot oprijwig 1-1 format
Oprijwig
Lengte
2.250 mm
Breedte
1.014 mm
Hoogte
190 - 20 mm
Gewicht
505 kg
Staalkwaliteit
S355J2

Maximale puntlast in het midden van de overspanning

De gegeven belastingen mogen alleen ter indicatie gebruikt worden, neem contact met ons op voor een berekening van uw situatie.

Stalen dragelineschot_Overview_1-1
Max. puntlast in het midden (indicatief)
Overspanning 2 meter
1070 kN / 109 ton
Overspanning 3 meter
712 kN / 73 ton
Overspanning 4 meter
532 kN / 54 ton
Overspanning 5 meter
424 kN / 43 ton
Overspanning 6 meter
351 kN / 36 ton
Overspanning 7 meter
299 kN / 30 ton
Overspanning 8 meter
259 kN / 26 ton
Overspanning 9 meter
229 kN / 23 ton
Overspanning 10 meter
204 kN / 21 ton

Vrijblijvend advies en offerte

Een sterke en stabiele oplossing nodig? Vraag eenvoudig een offerte aan of neem direct contact met ons op voor advies op maat.

  • Dit veld is bedoeld voor validatiedoeleinden en moet niet worden gewijzigd.
  • Dit veld is verborgen bij het bekijken van het formulier
  • Dit veld is verborgen bij het bekijken van het formulier
  • Wij gebruiken uw gegevens om te antwoorden (privacyverklaring).

  • Henk Plomp
  • Verhuur specialist

Op de hoogte blijven?

Meld u dan aan voor onze nieuwsbrief